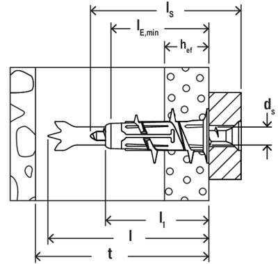
Дюбель DuoBlade является новым элементом линейки DuoLine. Состоит из различных компонентов, которые обеспечивают наилучшую эффективность. Самозасверливающийся дюбель fischer DuoBlade обеспечивает быстрый и простой монтаж в гипсокартон. Предназначен для предварительного монтажа заподлицо с поверхностью. Дюбель fischer DuoBlade используется с шурупами по дереву, по металлу, шурупами для ДСП диаметра от 4,0 до 5,0 мм. Подходит для надежного и быстрого крепления датчиков дыма, карнизов и жалюзи.
Функционирование.
Отзывы
Оставить отзыв
Загрузка отзывов...
Дополнительная вкладка, для размещения информации о магазине, доставке или любого другого важного контента. Поможет вам ответить на интересующие покупателя вопросы и развеять его сомнения в покупке. Используйте её по своему усмотрению.
Вы можете убрать её или вернуть обратно, изменив одну галочку в настройках компонента. Очень удобно.
С этим товаром покупают
